ZSCI
Plot Digitizer就是一款可以帮助你把未标明具体数值的条形图和折线图迅速准确估出具体数值的效率工具,可以方便地将任何图片中曲线上的点生成一组组的坐标数据。有了这个神器以后再也不用肉眼估数据点了!
01 Plot Digitizer软件安装
Plot Digitizer是一款基于JAVA免费且开源的图形数字化软件,仅有5M大小。将图表数据化、可视化,更加方便大家分析数据,寻找规律,在科研工作中有所突破!
02 Plot digitizer使用说明
像有些数据比较多的折线图,你如果想要更加直观的去分析,你不可能自己准确的写下每一个数据,但是如果你利用这个软件,只需要用鼠标点几下,就能导出这个图的数据,不仅可以直观的去分析,然后用这组数据去做别的类型的图标。
打开图片,格式必须为Jpg或者JPEG。
File→Open Image File。或者是按快捷键【Ctrl+O】,从文件夹中导入需要转化的图表,再次强调:图片格式仅支持JPEG或Jpg。
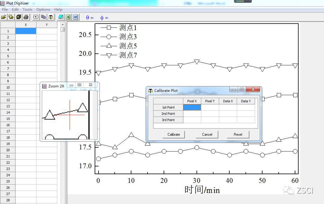
成功导入折线图后,点击“Tools”中的“Calibrate Plot(或快捷键【Ctrl+K】)”进行坐标校准,对横纵坐标进行定义。
设置三个点坐标进行校准,先选校准位置,可以用十字光标准确确定位置,此时软件会自动跳出数据显示在Pixel上。确定好校准点之后,再手动输入坐标。(坐标输入在Data X DataY栏)
单击Calibrate,校准完成。
完成校准后就可以自定义采集数据了,可以利用十字光标对想要的点进行手动取值,示例如下。
取值后会对有一个数字序号对你的取值进行标注,左侧表格中就会有取值对应的具体数值。
福利 关注ZSCI公众号 公众号对话框回复关键词“数据提取” 即可直接领取“Plot Digitizer安装包”
国自然科学基金查询神器V2.0版免费开放,可查询近20万个国家基金项目! 近五年156G生信资源!基础知识、分析技术、编程语言、数据库挖掘都有!
